声光协同,抬头守护:WT588F02KD-32N带LED驱动语音芯片重塑婴儿体重秤体验
2025-12-19 08:33:10
当温和的语音取代刺眼的屏幕,当柔光指引替代紧张的凝视,一次普通的称重,正从繁琐的任务升华为安心的亲子陪伴。
深夜,柔和的暖光在秤边呼吸般明灭,伴随着一声轻柔的播报:“宝宝体重7.2公斤,增长达标。”父母无需低头,目光始终温柔地落在安睡的婴儿身上——这并非未来场景,而是广州唯创电子WT588F02KD-32N带LED驱动语音芯片所赋能的新一代智能婴儿体重秤带来的现实体验。

01 行业痛点:传统婴儿称重的三重体验断裂
传统婴儿体重秤的设计逻辑长期停留在“精准测量”的单一维度,却忽视了真实使用场景中复杂的人机交互与情感需求,导致用户体验存在三大断裂带。
看护与读数的根本冲突构成了首要矛盾。父母必须在“紧盯屏幕获取数据”与“看护宝宝确保安全”之间做出艰难取舍。这种“低头”与“抬头”的博弈,在婴儿好动或父母疲惫时,极易引发安全隐患与测量失败。
夜间使用的强光侵扰则是普遍痛点。传统LCD或LED屏幕在黑暗环境中亮如白昼,不仅刺眼,更常惊醒浅眠的婴儿,将简单的称重演变为一场全家动员的“安抚大战”,让许多父母对夜间测量望而却步。
数据解读的专业门槛最终削弱了产品价值。冰冷的数字(如“7.2kg”)对新手父母而言信息量有限,他们仍需自行查阅生长曲线表,进行复杂比对,方能判断发育是否正常。测量与解读的分离,使称重效率大打折扣,产品止步于“测量工具”,而非“成长助手”。

02 技术破局:WT588F02KD-32N的“声光协同”交互革命
针对上述痛点,广州唯创电子作为专业的语音IC厂家,推出了集成创新的WT588F02KD-32N芯片。其核心突破在于将LED驱动芯片与高品质语音引擎深度融合,开创了“声光协同”的智能交互范式。
“抬头称重”安全范式由此确立。当婴儿被放置于秤上,芯片驱动LED灯以柔和、缓慢的“呼吸模式”闪烁,作为“测量中”的视觉提示。父母目光可全程专注于婴儿,无需分心。测量完成后,稳定亮起的灯光与同步播报的体重结果(如“宝宝体重7.2公斤”)形成完美的时空统一,信息获取变得无感而自然。
夜间友好型低侵扰设计则体现了深厚的人文关怀。芯片支持LED多档位PWM调光,可切换至专为夜间设计的低亮度暖光模式,光线温柔如烛,足以指示状态却绝不刺眼。配合可调至“耳语音量”的语音播报,甚至支持定制为父母录音或搭配轻柔白噪音,确保在完成测量任务的同时,最大程度守护婴儿的睡眠连贯性。
数据智能解读与情感化反馈赋予了产品“顾问”价值。芯片方案可预置或通过主控接入标准生长曲线数据库。测量后,系统不仅播报体重,更能进行智能分析:“增长符合标准,真棒!”(配以绿色常亮);或温柔提醒:“近期增长稍缓,建议关注。”(配以黄色慢闪)。灯光颜色与语音内容协同,让健康状态一目了然。

03 方案优势:高集成、低功耗、强灵活的硬核实力
WT588F02KD-32N芯片的强大,源于其将复杂系统高度集成于单颗芯片的卓越设计,为产品开发者带来了多重竞争优势。
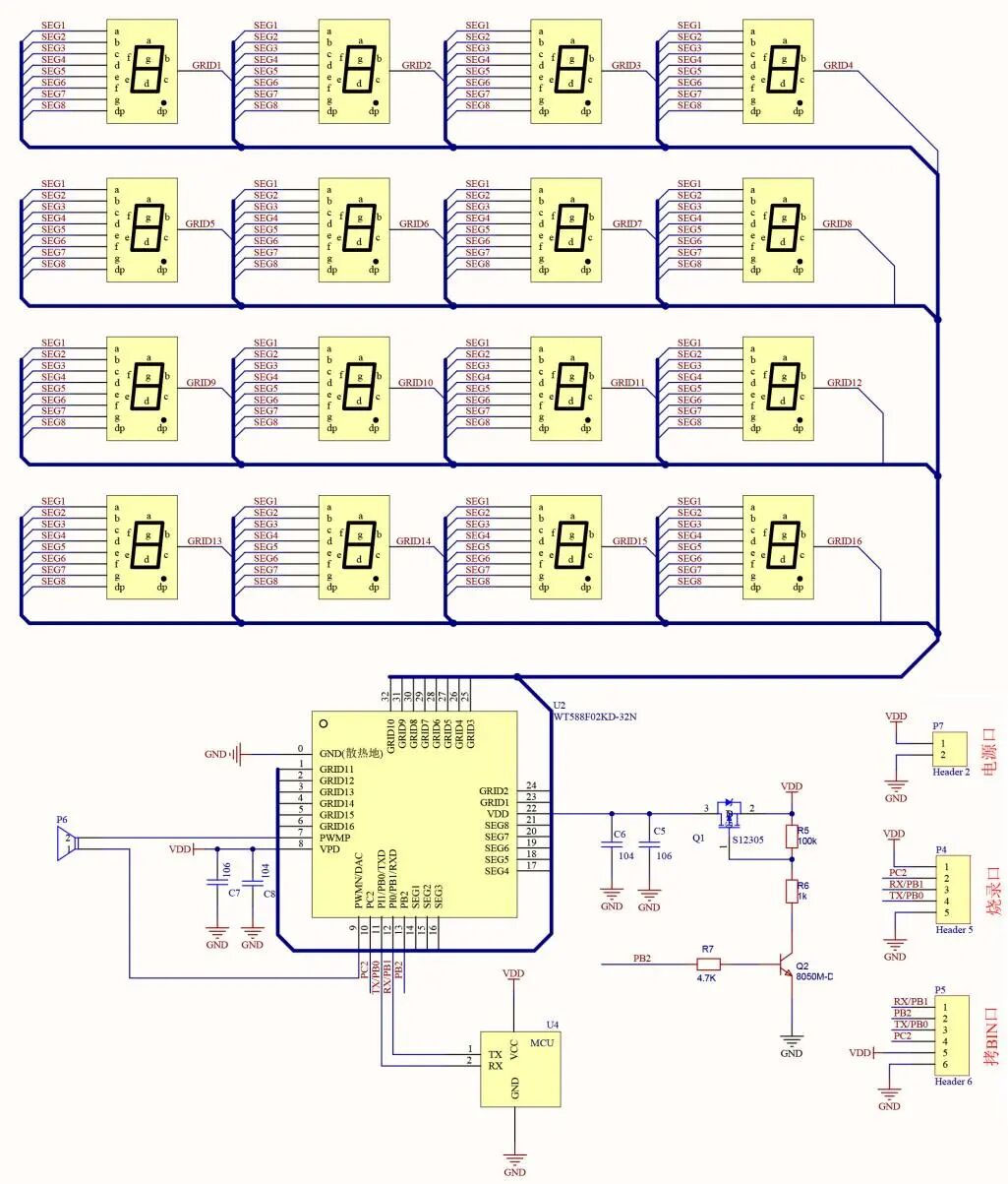
“三位一体”的高集成架构是成本与可靠性的基石。该芯片首次将16位DSP语音处理器、矩阵式LED驱动(8段×16栅)以及0.5W PWM功放集成于仅4.9×6mm的QFN32封装内。这彻底取代了传统方案中所需的“MCU + 语音IC + 显示驱动IC + 外置功放”多芯片组合,不仅将相关BOM成本降低30%-50%,更大幅简化了PCB布局,提升了整机可靠性。

极致的低功耗性能定义了产品的续航标杆。芯片采用先进的低功耗架构,待机电流低于5μA。在典型的每周数次称重使用频率下,搭载该芯片的体重秤依靠内置电池可轻松实现6-12个月的超长续航,真正解决了用户“频繁充电”的焦虑。
卓越的灵活性与可编程性保障了产品的市场活力。芯片支持通过UART串口进行无限次重复烧录,告别了OTP芯片的固化限制。制造商可根据市场反馈,随时远程更新语音库、调整灯光模式,甚至轻松生成多语言版本(中、英、日、韩等),极大降低了产品迭代与国际化的成本与周期。

04 应用赋能:从功能工具到情感陪伴的产品升维
搭载WT588F02KD-32N芯片的智能婴儿体重秤,实现的远不止于技术参数的提升,更是一场产品定位的深刻变革。
安全守护价值的显性化是最直接的提升。“声光协同”机制将父母从“读数”任务中解放,使其专注力回归对婴儿的看护,从根本上消除了称重过程的安全隐患。产品从“测量设备”进化为“安全助手”。
用户体验的细腻化与场景化拓宽了产品适用边界。针对深夜、宝宝烦躁等特殊场景的优化设计,让称重不再受时间与情绪限制,变得随时随地、轻松无压。这种细腻的体验设计,是构建用户忠诚度的关键。
情感连接与成长陪伴则赋予了产品长期生命力。温和的语音、鼓励的反馈、与成长里程碑的绑定,使每一次称重成为一次积极的亲子互动。产品由此承载了用户的情感与记忆,从冰冷的工具升华为温暖的“成长伙伴”。

05 市场价值:为制造商提供的差异化竞争钥匙
对于婴儿用品制造商而言,WT588F02KD-32N方案是打造下一代爆品的核心引擎。
快速构建产品差异化。在同质化严重的市场,“声光协同”的交互创新是肉眼可见、可感知的显著优势,能迅速在营销传播和用户体验中脱颖而出。
显著缩短研发周期与成本。单芯片方案和成熟的开发套件,使得企业无需组建复杂的语音、灯光驱动团队,即可在短时间内推出高质量产品,将开发资源集中于品牌与市场。
开辟高附加值产品线。基于该芯片,制造商可轻松开发出具有智能分析、多语种支持、个性化内容等功能的高端产品系列,有效提升品牌形象与利润率。
广州唯创电子WT588F02KD-32N带LED驱动语音芯片,以其开创性的“声光协同”交互,正在重新定义婴儿体重秤的产品边界。它用技术弥合了安全与效率的裂痕,用设计抚平了夜间使用的焦虑,用智能破解了数据解读的迷雾。
这不仅是语音IC厂家在技术集成上的一次胜利,更是对“科技向善”理念的生动诠释——让每一次测量,都成为一次无需担忧的守护、一场充满温情的互动。当父母与宝宝的目光在柔光中交汇,耳边响起关于成长的肯定,我们终于看到,科技最好的模样,是无声的陪伴与照亮。




308040936@qq.com
138-0273-1296
广州市花都区新华街天贵大厦A座704-708室
138-0273-1296