唯创电子WT588F02KD-32N二合一语音芯片:引领电饭煲智能交互新时代
2025-12-03 09:00:17
在智能家居浪潮席卷之下,传统家电正经历着一场静默的革命。以电饭煲为例,过去它只是厨房中“闷声煮饭”的工具,而如今,消费者期待的是能主动提醒“米饭已煮好,请享用”的智能助手。实现这一转变的核心,正是一颗高度集成的语音芯片——广州唯创电子推出的WT588F02KD-32N。这款芯片创新性地融合了语音芯片与数码管显示驱动功能,为家电厂商提供了高集成度、低成本的一站式解决方案。
传统方案痛点:成本高昂与灵活度不足
长期以来,家电厂商在实现语音提示功能时面临两难选择。传统方案需要分别采购语音芯片和数码管显示驱动芯片,这不仅增加了PCB板上的元器件数量,也显著推高了物料与生产成本。更令人困扰的是,多数传统语音IC采用OTP(一次性可编程)架构,语音内容一旦固化便无法更改,导致厂商难以应对多语言市场需求或产品功能升级,每次变更都需重新开模生产,严重影响了产品迭代速度与市场响应能力。
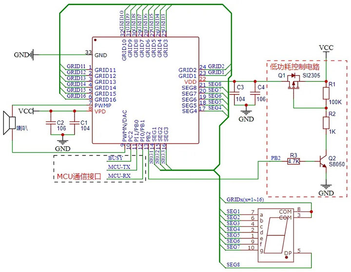
WT588F02KD-32N典型应用电路
创新突破:一颗芯片,双重功能
作为专业的语音IC厂家,广州唯创电子精准洞察行业痛点,推出WT588F02KD-32N这颗革命性的二合一芯片。它采用QFN32紧凑封装,内部集成16位DSP内核与2M bit Flash存储空间,可储存约170秒高品质语音。其核心创新在于:
高度集成:芯片内置16位PWM输出可直接驱动8Ω/0.5W喇叭,无需外接功放电路;同时集成数码管显示驱动能力,真正实现“语音+视觉”双模提示。极致能效:待机功耗低于5μA,即使全天候待机,年耗电极微,符合绿色家电设计趋势。
灵活可编程:支持重复烧录,厂商可根据市场需求随时更换语音内容,轻松推出中文、英文、日文等多语言版本,大幅降低库存与开发成本。

技术实现:简洁高效的交互设计
WT588F02KD-32N通过UART串口与主控MCU通信,指令传输简洁高效。芯片支持BUSY状态反馈,确保语音播放完整性。在电饭煲中的应用场景丰富而实用:
开机问候:“欢迎使用智能电饭煲” – 建立亲切使用体验。模式确认:“已选择快煮模式” – 同步数码管显示倒计时,信息直观。
安全预警:“水位不足,请加水” – 及时防患,提升产品安全性。
完成提醒:“米饭已煮好,请享用” – 确保用户在最佳时间享用美食。

MCU与WT588F02KD-32N连接框图

市场价值:为家电厂商赋能
对家电厂商而言,这款芯片的价值远不止于功能集成:
降低成本:单芯片方案减少外围元件数量,优化PCB布局,降低整体BOM成本。提升竞争力:快速响应市场需求,同一硬件平台可通过不同语音固件适应全球市场。
增强体验:人性化的语音提示显著提升产品附加值,尤其在针对老年人、忙碌家庭等细分市场时,有温度的语音交互成为关键差异化优势。

系统框图

行业展望:智能家居的语音交互未来
WT588F02KD-32N的出现,标志着智能家电语音交互迈向更高集成度与更优成本控制的新阶段。未来,随着物联网与AI技术的进一步融合,语音芯片将不仅局限于播放预存内容,更可能集成语音识别与语义理解能力,实现真正的自然对话交互。
广州唯创电子作为国内领先的语音IC厂家,通过持续的技术创新,将复杂的系统简化为高效、经济的芯片级解决方案。WT588F02KD-32N不仅是技术集成的典范,更是智能家居普及化的重要推动者——它让更多家电厂商能够以可承受的成本,为产品注入“会说话”的灵魂,让科技关怀融入日常生活的每一处细节。
在智能家居爆发的今天,唯创电子正以一颗颗高度集成的语音芯片,悄然改变着我们与家电的对话方式,让原本沉默的厨房,充满温暖而智能的生活回响。




308040936@qq.com
138-0273-1296
广州市花都区新华街天贵大厦A座704-708室
138-0273-1296