广州唯创WT2606系列AI语音芯片:开启智能门锁语音交互新时代
2025-11-19 09:15:45
一、智能门锁的现状与用户痛点
1.1 传统生物识别的局限性
在现代家庭生活中,智能门锁已成为智能家居的重要入口。然而,传统的生物识别技术在实际使用中暴露出诸多问题:指纹识别受手指脱皮、潮湿影响;人脸识别受光线角度制约;这些技术缺陷导致用户体验大打折扣。
1.2 用户期待的功能升级
除了基本的开锁功能,用户对智能门锁提出了更高要求:实时天气提醒、重要日期提示、电量显示、互动体验等。这些功能不仅提升了产品实用性,更增强了用户的情感连接和生活仪式感。

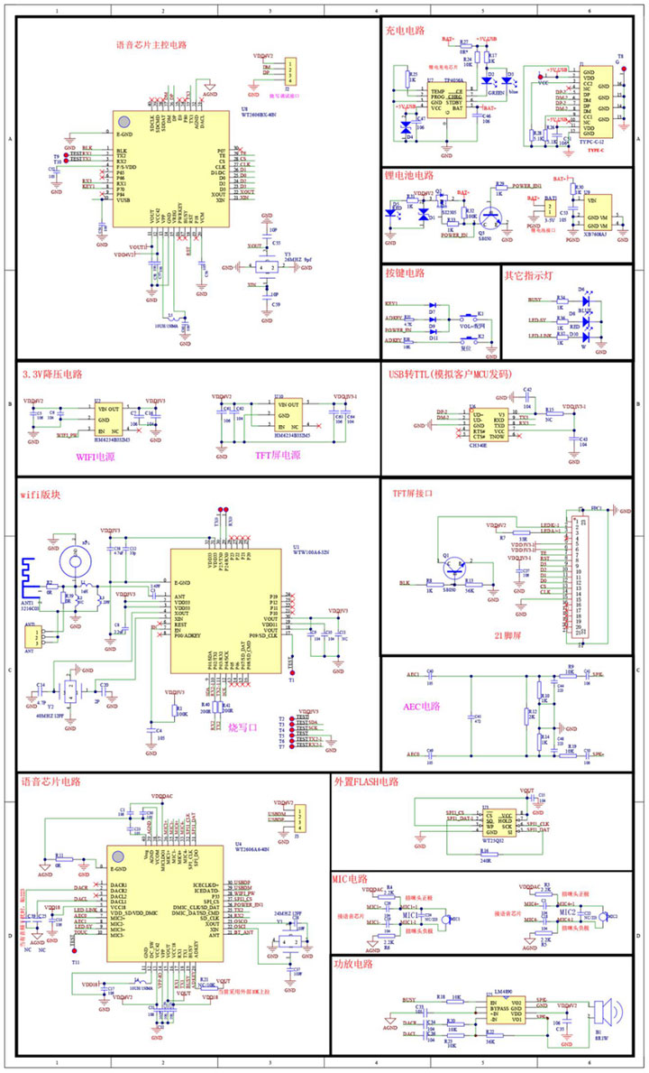
二、广州唯创电子芯片级解决方案
2.1 整体架构设计理念
广州唯创电子作为专业的语音IC厂家,基于WT2606A6-40N AI语音识别芯片和WT2606Bx-32N驱屏芯片,构建了完整的智能门锁解决方案。该方案通过芯片级优化,实现了功耗、性能和成本的完美平衡。
2.2 三芯片协同工作模式
WT2606A6-40N:负责语音唤醒、离线识别和TTS语音合成WT2606Bx-32N:驱动TFT屏幕显示灵动画面
WTW100A6-32N:提供WiFi联网能力,实现在线服务
三、WT2606A6语音芯片核心技术优势
3.1 卓越的语音识别性能
WT2606A6作为先进的语音识别芯片,具备以下技术特点:
高精度唤醒识别:1-3米距离唤醒识别率高达99%智能降噪处理:自适应环境降噪,确保嘈杂环境下依然稳定
双麦阵列设计:标准双麦打断功能,支持扩展到三麦配置
3.2 高效的电源管理
宽电压供电:2.8-4.2V供电范围,锂电池直接供电内置电量检测:VCC脚自带电量检测功能,节省外部电路
超低功耗设计:功耗不足传统方案的十分之一
3.3 丰富的音频功能
作为高性能的TTS语音合成芯片,WT2606A6支持:
多种音频格式:MP3、WAV格式,采样率8K-44.1K模拟U盘功能:通过USB直接拷贝音频文件,无需专用工具
蓝牙无线通讯:集成2.4G蓝牙功能,拓展连接能力
四、WT2606B驱屏芯片的显示驱动能力
4.1 强大的视频播放功能
WT2606Bx-32N专为智能设备显示需求设计:
高清显示支持:最高支持480*480分辨率,30帧/秒流畅播放多种播放模式:单次播放、单视频循环、全部视频循环
灵活更新机制:支持串口更新FLASH内容、OTA远程升级
4.2 智能电源管理
超低待机功耗:待机电流小于100uA,关机电流小于5uA快速唤醒响应:接收指令后快速进入工作状态
标准接口支持:拥有IIC等标准接口,适应多种外设连接
五、典型应用场景详解
5.1 智能语音开门场景
当用户双手拿着重物无法使用指纹识别时,只需说出"小唯小唯,开门",WT2606A6语音芯片立即识别指令,准确执行开锁操作,彻底解决传统开锁方式的不便。
5.2 智能提醒服务
清晨出门时,门锁主动播报:"主人,今天有大暴雨,您出门要带雨伞"。这种贴心的提醒服务基于WT2606A6的TTS语音合成芯片能力,让门锁成为用户的智能生活助手。
5.3 情感化互动体验
在家人生日时,门锁不仅会语音祝福,WT2606B驱屏芯片还会在屏幕上显示庆祝动画,营造温馨浪漫的家庭氛围,增强生活仪式感。
六、方案实施的技术要点
6.1 音频系统优化
为确保最佳语音效果,需要注意:
电源稳定性:减小电源纹波,提高音质结构设计:咪头远离喇叭和震动源,避免干扰
密封隔离:咪头除外露部分外,其余部分进行密封处理
6.2 无线通信布局
WiFi芯片的布局直接影响通信质量:
严格按规范布线:电源走线、信号走线按参考设计执行天线优化:天线布局远离干扰源,确保信号稳定
设计框架图:

设计原理图:

相关展示功能模块:
AI驱屏展示功能模块外观图(WT3000A-M10 V1.00)
AI功能模块分享(半孔模块WT3000A-M06与测试底板WT3000A Mxx-T01)

七、总结与展望
广州唯创电子的WT2606系列芯片方案,重新定义了智能门锁的产品形态。通过WT2606A6语音识别芯片的先进语音交互能力,结合WT2606B驱屏芯片的丰富视觉表现,创造了前所未有的用户体验。
作为专业的语音IC厂家,广州唯创电子将持续深耕智能家居领域,通过芯片级创新助力合作伙伴开发更具竞争力的产品。WT2606系列方案不仅解决了当前智能门锁的技术痛点,更为产品赋予了情感化和智能化的新维度。
在技术快速演进的时代,广州唯创电子致力于让每扇门后都站着一位永不疲倦的AI守卫,让每个家庭都能享受到科技带来的便捷与美满。




308040936@qq.com
138-0273-1296
广州市花都区新华街天贵大厦A座704-708室
138-0273-1296